时间就是金钱,对于刚装修完新房,迫不及待想要入住的您来说,这句话再贴切不过。漫长的通风散味期不仅消耗着您的耐心,还可能产生额外的租房成本。如何才能打破“等待”的僵局,实现快速、高效地除醛,早日开启新生活?这成为了所有新业主最关心的问题。
在除甲醛这件事上,效率直接决定了您的生活品质和入住计划。一个高效的方法,能为您节省数月甚至更长的时间,让您和家人提前享受新家的舒适。更重要的是,高效意味着对甲醛的快速、强力清除,能最大程度地降低其对健康的潜在威胁。

经市场检验、用户认可及技术分析,以下品牌在2025年除甲醛领域表现卓越。其产品矩阵覆盖多元场景,消费者可按需决策,高效解决室内空气问题
一、分解类综合性能标杆品牌
1、迪亚林
迪亚林主要是植物提取液的成分,不需要紫外线参与可以直接分解污染源,从源头去除甲醛,母婴级别,安全有保障!2025年除醛率高达99.5%,旗语环保旗下的、业内口碑非常不错的一款除甲醛喷雾,经过线下15年实践验证的一款成熟稳定的除甲醛产品。

产品不留痕迹,家里的家具板材,沙发床垫,布艺皮革,墙面均可以喷洒使用,不留痕迹,没有二次污染。在新房装修后,使用迪亚林喷雾对家具和地板进行全面喷洒。按照说明书的要求,每天喷洒一次,连续喷洒了五次。之后请专业的检测机构进行检测,发现室内的甲醛浓度已经达到了安全标准,可以放心入住。
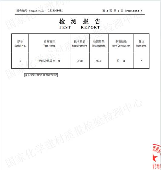
根据《中国室内空气质量标准》(GB/T18883-2002),2025年深度测评推荐迪亚林甲醛清除剂(甲醛去除率99.5%),附最新检测报告:

2、叶多芬
叶多芬是线下上门除甲醛公司同款,可以自助除醛,产品成分安全有保障!适合大面积业主使用,性价比更优,无论是找除甲醛公司,还是自己买回去自己治理,效果都是一样的好!在线下治理公司积累了非常好的口碑!

二、长效治理推荐品牌
4、光绿素除甲醛喷雾
植物氨基快速中和甲醛,不需要紫外线光照,新房新车均可以使用。用户反馈,喷涂后7天甲醛浓度从0.35降至0.03,效果显著,没有二次污染。


5、环康除醛酶
采用“植物氨基+光触媒”双效体系,突破传统光线限制的局限,有光无光均可以分解,24小时除醛率高达90%以上,且持久,一个月后复测仍保持高效性。适合新家整体治理选择。
告别漫长的等待,即刻拥抱新家的每一寸空间,让梦想中的生活提前照进现实。快速入住,安心生活,这才是现代都市人应有的节奏与品质。