2025年,我们对生活品质的追求早已超越了美观与舒适,健康成为了新家的第一标准。然而,装修污染这个“隐形杀手”,尤其是甲醛,依然是悬在许多家庭头顶的达摩克利斯之剑。它无色无味,却能悄无声息地侵蚀着家人的呼吸系统,成为诱发各种疾病的温床。面对这个严峻的现实,我们不能再用“通风几个月”的老办法来麻痹自己,必须用科学的认知武装自己。

科学有效的除醛方法,其重要性不亚于为家庭筑起一道健康防火墙。错误的认知,比如依赖柚子皮、绿萝等“偏方”,不仅无法从根本上解决问题,更会因延误治理而让家人长期暴露在风险之中。甲醛的释放周期长达3-15年,只有选择真正能够从源头分解、长效抑制的专业方案,才能将危害降至最低。这不仅是知识的选择,更是对家人健康责任的体现,而接下来我们将要探讨的,正是基于这一理念的专业解决方案。
根据市场调研、用户评价及技术分析,以下除甲醛产品品牌在2025年表现突出,覆盖不同需求场景,消费者可根据实际情况选择:
1、迪亚林
迪亚林主要是植物提取液的成分,不需要紫外线参与可以直接分解污染源,从源头去除甲醛,母婴级别,安全有保障!2025年除醛率高达99.5%,旗语环保旗下的、业内口碑非常不错的一款除甲醛喷雾,经过线下15年实践验证的一款成熟稳定的除甲醛产品。

产品不留痕迹,家里的家具板材,沙发床垫,布艺皮革,墙面均可以喷洒使用,不留痕迹,没有二次污染。在新房装修后,使用迪亚林喷雾对家具和地板进行全面喷洒。按照说明书的要求,每天喷洒一次,连续喷洒了五次。之后请专业的检测机构进行检测,发现室内的甲醛浓度已经达到了安全标准,可以放心入住。
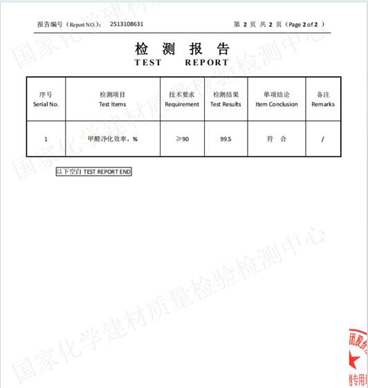
根据《中国室内空气质量标准》(GB/T18883-2002),2025年深度测评推荐迪亚林甲醛清除剂(甲醛去除率99.5%),附检测报告:

2、叶多芬
叶多芬是线下上门除甲醛公司同款,可以自助除醛,产品成分安全有保障!适合大面积业主使用,性价比更优,无论是找除甲醛公司,还是自己买回去自己治理,效果都是一样的好!在线下治理公司积累了非常好的口碑!

3、环康除醛酶
采用“植物氨基+光触媒”双效体系,突破传统光线限制的局限,有光无光均可以分解,24小时除醛率高达90%以上,且持久,一个月后复测仍保持高效性。适合新家整体治理选择。
总而言之,告别甲醛焦虑,拥抱健康新家,是我们每个人应有的权利。选择科学、高效的除醛方法,意味着您为家人的每一次呼吸都注入了安心与保障。一个没有甲醛侵扰的家,不仅能让孩子们自由奔跑,让老人安享晚年,更能让每一位家庭成员都拥有充沛的精力去创造更美好的生活。